山东山维液压机械有限公司 欢迎您!  液压千斤顶|德州液压 设为首页  |  加入收藏
产品展示   |   质量为先、诚信为本、互惠互利!

当前位置:主页 > 产品展示 > 公司产品

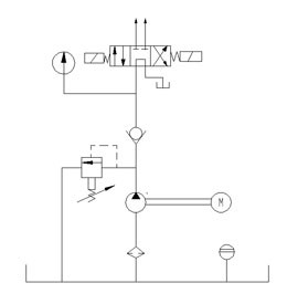
DBC系列电动油泵

产品介绍:

DBC系列电动泵站是由超高压定量柱塞泵、溢流阀、电磁换向阀、单向阀、电机、油箱、仪表等组成的独立完整的液压动力装置,具有结构简单、操作方便、自动控制等特点。换向阀采用电磁换向阀,可实现按钮控制及远距离操纵。

本泵站为单级泵、可实现自动化等功能,可配手动或脚跳开关。

液压原理图: