山东山维液压机械有限公司 欢迎您!  液压千斤顶|德州液压 设为首页  |  加入收藏
产品展示   |   质量为先、诚信为本、互惠互利!

当前位置:主页 > 产品展示 > 公司产品

DSC系列电动油泵

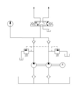
产品介绍:DSC电动油泵,最大特点是增加了电磁阀,与PLC计算机或远程遥控相结合,可以轻松实现智能调节和远程控制。内有高低压油泵,双出油口,适用于双作用油缸。

原理图:



DSC系列技术参数表